This product can no longer be ordered. Please contact our sales support with the form. Thank you
Specifications
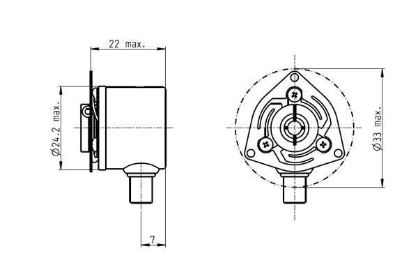
Technical illustrations
- Dimension drawing
Information: Drawings are not to scale.
| General information | |
| Counts per turn | 5000 |
| Number of channels | 3 |
| Line Driver | DS26C31T |
| Max. length of encoder housing | 22 mm |
| Max. electrical speed | 2400 rpm |
| Max. mechanical speed | 12000 rpm |
| Technical Data | |
| Supply voltage Vcc | 4.5...5.5 V |
| Output signal | EIA RS 422 |
| Output signal | Incremental |
| Driver used logic | Differential, EIA RS 422 |
| Output current per channel | -30...30 mA |
| Signal rise time | 10 ns |
| Measurement condition for signal rise time | CL=25pF, RL=1kOhm, T=25°C |
| Signal fall time | 10 ns |
| Measurement condition for signal fall time | Cl=25pF,RL=1kOhm, T=25°C |
| Direction of rotation | A before B CW |
| Index position | A low & B low |
| Index synchronized to AB | Yes |
| Typical current draw at standstill | 60 mA |
| Max. moment of inertia of code wheel | 1 gcm² |
| Operating temperature | -40...+85 °C |
| Orientation of encoder output to motor flange | 0 ° |
| Product | |
| Weight | 60 g |
Description
The maxon 2RMHF encoder is characterised by high counts per turn and a high signal quality. The 2RMHF is a 3-channel encoder with line driver in accordance with RS422. A resolution of up to 5000 counts per turn is available. The encoder is an excellent choice for precision positioning and speed control applications. Counts per turn can be configured online.SYSTEM INFORMATION: Although our system allows this combination, the 2RMHF encoder is not recommended in combination with gearheads. Please do not order this combination online and contact your local sales representative for assistance.
