Details

Planetary Gearhead GP 22 C Ø22 mm, 0.5 - 2.0 Nm | Ceramic Version

Part number 143980

Planetary Gearhead GP 22 C Ø22 mm, 0.5 - 2.0 Nm
Price scales Quantity Price per unit
Prices excluding VAT and shipping costs 1-4 £ 136.77
5-19 £ 110.31
20-49 £ 92.54
from 50 On request

Gears can be purchased only as a component of a combination.

Specifications

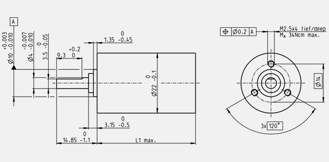
Technical illustrations

Information: Drawings are not to scale.

General information
Gearhead type GP
Outer diameter 22 mm
Version Ceramic version
Gearhead Data
Reduction 53 : 1
Absolute reduction 3375/64
Max. motor shaft diameter 4 mm
Number of stages 3
Max. continuous torque 1.2 Nm
Max. intermittent torque 1.9 Nm
Direction of rotation, drive to output =
Max. efficiency 59 %
Average backlash no load 1.6 °
Mass inertia 0.4 gcm²
Gearhead length (L1) 39 mm
Max. transmittable power (continuous) 19 W
Max. transmittable power (intermittent) 30 W
Technical Data
Bearing at output ball bearing
Radial play max. 0.2 mm, 10 mm from flange
Axial play 0 - 0.2 mm
Max. radial load 55 N, 10 mm from flange
Max. axial load (dynamic) 100 N
Max. force for press fits 100 N
Max. continuous input speed 8000 rpm
Max. intermittent input speed 8000 rpm
Recommended temperature range -40...+100 °C
Extended temperature range 100...+100 °C
Number of autoclave cycles 0
Product
Weight 68 g

Description

Precision spur- and planetary gearheads matched to maxon motors. Gears are advantageously adapted directly to the desired motors in the delivery plant. The motor pinion is the input gearweel for the first stage and is rigidly affixed to the motor shaft.

Videos